2008/02月
ETC ETC装着 バッテリーキャリア 内装交換 ボンネットリリースレバー交換 キーレスエントリーその1
キーレスその2、コーションプレート 遂に!パワステゲット! キーレスその3 パワステ移植その1 ボルト引取
トラストエレメント移動キット アイドルプーリー、スタビブッシュゲット!
2008/02/29 アイドルプーリー、スタビブッシュゲット! トップへ![]()
外した重ステが明日引渡しなので軽く掃除してみたところ、スタビのブッシュが?今の状態なら簡単に交換できるのでは???
ということですかさず注文(笑)
頼んでおいたプーリーも入りました(^^♪ きれい過ぎない??(爆)
2008/02/27 トラストエレメント移動キット トップへ
とりあえずこんな感じになってます(^^ゞ
ポンプとタンクが付きました! エレメントはオイルクーラーの配管取出しが邪魔で移動を余儀なくされ今回トラストの移動キットを導入!
と、またまた問題発生! ハチロク専用設計(ってBKT)なのでタコ足のセンサーに干渉してしまう。。。
BKTを切断&溶接でなんとか。。。
Oリングが劣化しきって再使用不可だったので同じ大きさのを買って来たけど。。。 あり??
オイルも交換なのでエレメントも新調(^^♪
2008/02/26 部品引取 トップへ
共販に頼んであったボルトを引き取り(^^ゞ
PSのタンク取付です。
この前見に行ったら色んなボルトで止まってたから。。。
2008/02/23 パワステ移植その1 トップへ
パワステセットが届いたので早速移植してもらうことに(^^♪ としぞうには無理っす。。。 Orz
ボルトオンかと思いきや?? そのボルトがなかった。。。(爆)
1、PSポンプをエンジンに取り付けるボルト3本 91612-61030
2、配管を止めるボルト3本 91651-60830 (後でわかった事、ブッシュが1個欠品(泣))どうする?廃盤らしい。。。
3、タンクを止めるボルト3本 90119-06089 (在庫なしで取り寄せ。。。)
4、当然?Vベルトなし V98D5-0910
それからの問題点。。。
1、エレメントのところにアダプター(オイルクーラー、油圧、油温センサー取出し)がありPSポンプBKTが取りつかない(泣) エレメント移動キット導入
2、キーシリンダ移植にカシメ1箇所あり。 破壊。。。
3、PSポンプBKTがタイベルカバーに干渉(ネットで調査済だったもののやっぱり) カバー削り
重ステはすでに引き取り手あり?(^^♪ ナックルが2センチ長かった。
そうそう!嬉しい誤算?
チルト機構付いてました♪
細かく見ると色々と難点が。。。
1、タコ足のバンテージ止のクランプ だめ・・・
2008/02/21 キーレスその3 トップへ
ちょっと風があったけど。。。 またしてもお昼休みにひと作業♪
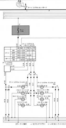
ウインカー配線を引き出し(^^♪
教科書通りの場所なんで平気だと思うんだけど(汗)
2008/02/21 遂に!パワステゲット! トップへ
念願のパワステを遂にゲット!
果たしていつ取り付けられることやら。。。
2008/02/20 キーレスその2、コーションプレート トップへ
ポカポカ陽気だったのでお昼にサクッと常時+を室内に!
ついでに、なにやら怪しいものを設置(笑) 本来どこに付けるのかな?もしかして防水じゃない???やっぱ室内?無理だろ〜。。。
としぞうのはすっぽり穴が開いてるので(グロメットがない。。。)簡単にコードが室内に!きっと埃も熱気も。。。
ついでにボディに穴を開けるように運転席のカバーを外してっと。
キーレスの本体もそのカバーの一番後ろに設置予定♪
| サイレン? | みづらい。。。 | 蓋がないんです。 |
またしても共販いじめ。。。(爆)
運転席のドアのコーションプレート(透明の)が剥がしてあったので欲しくて買っちゃいました(笑) 180円なり
2008/02/19 キーレスエントリーその1 トップへ
苦手な配線を整理!いよいよ?始まるかな???(笑)
4ドア兼用なので2ドア分配線を切ったら余計な(必要な)線まで切っちゃった〜(泣)
ハンダしようと思ったらコテがみつからない。。。
無駄にギボシで。。。 ホント前途多難な予感。。。
今後の予定
その2…バッテリーから常時を室内に引き込む
その3…ボディ、ドアに12ミリの穴を開ける(左右)
その4…本体設置
その5…アクチュエーター設置
その6…完成?
さっぱりしました |
キーレスエントリーの取り付け方法 |
2008/02/17 ボンネットリリースレバー交換 青→黒 トップへ
これもまだ部品が出たので交換♪
ねじ2本で簡単に取れたんだけど…ワイヤー外すのが知恵の輪で(笑)
5分くらい悩んじゃいました(^^ゞ 最後はポロッと。。。
色がわかりづらいけど、黒くなりました。ちょっと色が違う気がするけど(^^ゞ
代替新で 53601-20060-C0 でした。
後は内装をアーマーオールで拭きまくり(笑)
2008/02/16 内装交換 青→黒 トップへ
前から気になっていた内装の色違い。。。(笑)
今回はトランクテールランプのところのカバー左右と、運転席の足元のカバーを後期黒に交換!
ってあまり変わった気がしないんだけど、、、
でも足元のカバー外したらキーレスつけるのに問題だったケーブルの引き込み穴に希望の光が???
中からならドリルで穴が開けられる!(どれくらいの穴で水の処理はどうする???)
2008/02/03 バッテリーキャリア トップへ
またしてもくだらない所に手を出してしまった(^^ゞ
74431-14020のバッテリーキャリアでした〜!チャンチャン(笑)
2008/02/02 ETC装着 トップへ![]()
晴れ後ぶったさんのブログをみてたらとしぞうもやりたくなってまねさせていただきました(^^♪なので内容は似てますが…(笑)
そのために無料のETCをゲットしました!
とりあえずアンダーカバー?をはずしてっと。ハチロクは意外と簡単に外れるのでス・テ・キ・♪
で、さらに取り付けのボックスを外して(品番写しました)穴あけ! 手っ取り早くやりたかったのでサンダーでガリガリ。。。(笑)
さすがに仕上げが粗い〜 まあ見えないから(爆)
アンテナをガラスに貼り付けて、加工しておいた電源ケーブルをつないで(次のためにメスを出してあります)
アース取って、組み付ける前に動作確認!OK
装着完了! ん〜!やっぱいい感じ♪
後は恐怖のテスト(笑) 何回も開かなかったの知ってるんで。。。怖っ
通勤割引時間に行って来よう!
2008/02/01 無料ETC トップへ
ETCが届いたので早速配線だけ加工してみました(笑)
取り付けはみんカラで見かけた、カセットケース入れに設置で行こうと思います!
休みにできるかなあ…